Лампа с хранения.
Лампа бактерицидная ДРТ 125-1 (ТУ 16-675.013-83) ультрафиолетовая, разрядная, ртутная, высокого давления, дуговая, трубчатая (ДРТ-125-1, ДРТ125-1) предназначена для работы в установках, применяемых в медицине, биологии, сельском хозяйстве.
Внимание! Облучение бактерицидной лампой ДРТ 125-1, когда она находится в поле зрения, может вызвать необратимые поражения глаз и ожоги открытых частей тела из-за воздействия ультрафиолетового излучения!
Особенности:
- Лампа бактерицидная ДРТ 125-1 рассчитана для работы в сети переменного тока частоты 50 Гц напряжением 220 В с соответствующим активным балластным сопротивлением (схему включения см. ниже в руководстве по эксплуатации).
- Зажигание бактерицидной лампы ДРТ 125-1 должно наступать в течение 1 минуты с момента подачи напряжения питания на лампу.
- Повторное включение бактерицидной лампы ДРТ 125-1 возможно только после её остывания, при этом время повторного зажигания должно быть не менее 15 минут.
- Лампа бактерицидная ДРТ 125-1 работает при температуре окружающего воздуха от +10 до +35 °C и относительной влажности 60% при температуре +20 °C.

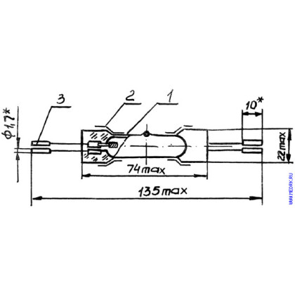
Рисунок 2 — Схематическое изображение бактерицидной лампы ДРТ 125-1
| Таблица — Технические характеристики медтехники Лампа бактерицидная терапевтическая ДРТ 125-1 |
|
Наименование
|
Значение
|
| Напряжение питания (В) |
220
|
| Частота тока (Гц) |
50
|
| Мощность лампы после 10 ч горения, номинальная (Вт) |
125
|
| Мощность лампы после 10 ч горения, не более (Вт) |
132
|
| Напряжение зажигания лампы не более (В) |
198
|
| Время зажигания, не более (мин) |
1
|
| Напряжение на лампе, номинальное (В) |
95
|
| Напряжение на лампе, допустимое (В) |
70–110
|
| Сила электрического тока (А) |
1,6
|
| Световой поток, номинальный (лм) |
1850
|
| Световой поток, не менее (лм) |
1730
|
| Продолжительность горения (ч) |
1000
|
| Рабочее положение |
произвольное
|
| Габаритная длина (мм) |
135
|
| Диаметр колбы (мм) |
22
|
| Тип цоколя |
безцокольная
|
| Диапазон температур эксплуатации (°C) |
+10–+35
|
| Масса не более (кг) |
0,01
|
|
Распределение УФ-излучения бактерицидной лампы ДРТ 125-1 по областям A, B, C по отношению ко всей мощности излучения в процентах:
- область A (UVA, UV-A, УФ-A), 315–400 нм — не более 21%;
- область B (UVB, UV-B, УФ-B), 280–315 нм — не более 25%;
- область C (UVC, UV-C, УФ-C), 230–280 нм — не более 11%.
Лампа бактерицидная ДРТ 125-1 применяется в различной медтехнике:
Осторожно! Бактерицидная лампа ДРТ 125-1 содержит ртуть! — при установке и замене лампы следует соблюдать осторожность, не допуская её разрушения.
В случае разрушения лампы ДРТ 125-1 необходимо собрать ртуть резиновой грушей, а место, где разбилась лампа, обработать 0,1% подкисленным раствором перманганата калия (1,0 г на 1 л воды с добавлением 5 мл концентрированной соляной кислоты HCl), затем обратиться к соответствующим специалистам по демеркуризации ламп и помещений.