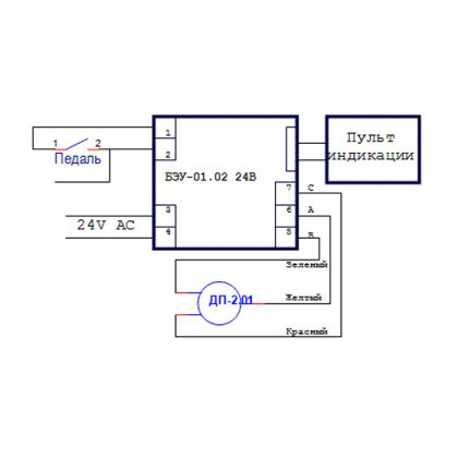
Медторг+ БЭУ-01.02 24В + ДП-2.02 - встраиваемый блок управления, с бесщеточным микромотором ДП-2.02

Арт. b1029842
Специальные условия сотрудничества
Государственные медицинские учреждения
Поликлиники и больницы
Профильные медицинские центры
Онкоцентры, травматологии, диагностические центры
Государственные и частные организации с медкабинетом
Заводы, НИИ, военные части
Сервисы медтехники
Ремонтные и обслуживающие организации
Торговые компании
Магазины медтехники, оптовые базы
Образовательные учреждения
Детские сады, школы и ВУЗы
Частные медицинские учреждения
Медицинские центры и медклиники
Юридические лица
Частные организации с медкабинетом
Производства, офисы, фабрики